A Chinese manufacturing client in Nam Dinh is seeking a contractor to install auxiliary equipment for a steam and boiler inspection laboratory. The technical dossier indicates a project with clearly defined requirements, detailed specifications, and strong practical applicability in an industrial environment.
The project scope includes the supply and installation of a complete laboratory fit-out system, comprising laboratory furniture, safety equipment, water supply and drainage, electrical systems, and ventilation.


Dimensions: 3000 × 750 × 800 (mm)
Quantity: 3 linear meters
Unit: Linear meter
Fully welded steel structure with seated-operation leg design
Worktop:
16 mm thick black natural stone
Water-resistant
Easy to clean
Cabinet body:
High-quality galvanized steel
Precision cutting, bending, and punching
Welded into an integrated structure
External finish:
Epoxy powder coating
Resistant to chemical corrosion and acids
Drawer slides:
Premium three-stage soft-close slides
Rated for over 100,000 open/close cycles
Hinges:
Soft-close hinges with 90° opening angle
Handles:
Recessed aluminum alloy handles
Configuration: Two rows, 6 outlets, 10A
Quantity: 3 sets
Unit: Set
Steel socket housing
Epoxy powder-coated surface
Includes:
Two rows of sockets
6 outlets, rated current 10A
Electrical wiring not included
Dimensions: 900 × 600 × 800 (mm)
Quantity: 2 units
Unit: Unit
Fully welded steel structure with seated-operation design
Worktop:
12.7 mm thick solid black phenolic resin panel
Reinforced edge thickness up to 25.4 mm
Performance:
High load-bearing capacity
Acid-resistant
Water-resistant
Easy to clean
Cabinet body:
High-quality galvanized steel
Cut, bent, punched, and welded into an integrated structure
External finish:
Epoxy powder coating
Chemical corrosion resistance
Central section:
Additional 20 mm thick natural stone insert
Anti-vibration structure:
Three-stage vibration damping system
Dimensions: 900 × 400 × 1800 (mm)
Quantity: 1 unit
Unit: Unit
Fully welded steel construction
High-quality galvanized steel
External finish:
Epoxy powder coating
Acid corrosion resistance
Upper and lower doors:
Tempered glass doors with hinges
Shelves:
Galvanized steel
Evenly distributed drainage holes with varying diameters
Bottom section:
Integrated drip tray
Hinges:
Soft-close hinges with 90° opening angle
Handles:
Recessed aluminum alloy handles
Shelving:
4 shelf levels
Dimensions: 1090 × 460 × 1650 (mm)
Quantity: 1 unit
Unit: Unit
Material:
Polypropylene (PP)
Dimensions: 3600 × 1500 × 800 (mm)
Quantity: 3.6 linear meters
Unit: Linear meter
Fully welded steel structure with seated-operation design
Worktop:
12.7 mm thick solid black phenolic resin panel
Reinforced edge thickness up to 25.4 mm
Water-resistant and easy to clean
Cabinet body:
High-quality galvanized steel
Precision cutting, bending, punching, and welded construction
External finish:
Epoxy powder coating
Acid corrosion resistance
Drawer slides:
Premium three-stage soft-close slides
≥ 100,000 open/close cycles
Hinges:
Soft-close hinges with 90° opening angle
Handles:
Recessed aluminum alloy handles
See detailed explanations below.

Dimensions: 550 × 450 × 310 (mm)
Configuration: Includes three-outlet faucet
Quantity: 1 set
Unit: Set
Sink:
PP material
Faucet head:
Brass material
Three-outlet configuration
Surface treatment:
Epoxy coating
Acid- and corrosion-resistant
Upper head:
360° rotational capability
Valve:
Precision ceramic valve
Corrosion-resistant
Removable for cleaning in case of blockage
Functions:
Pressure-reducing capability
Configurable for:
High-pressure outlet, or
Single-stage or two-stage water filtration for general washing
Type: Bench-mounted, single wash point
Quantity: 1 set
Unit: Set
Design:
Standalone type
Mounted flat on bench surface
Can be immediately pulled out for emergency use
Internal components:
High-quality brass with plated finish
Housing:
PP injection-molded body
Spray nozzles:
High-efficiency mist spray design
Soft spray pattern to prevent eye injury from water pressure
Dust covers:
Equipped with water outlets
ABS material
Automatically open water valve when activated
Water supply hose:
Steel-braided PVC flexible hose
Length: 1000 mm
Maximum working pressure:
5 bar
Dimensions: 550 × 400 × 120 (mm)
Quantity: 1 set
Unit: Set
Material:
PP
Load capacity:
Main hanging tensile strength up to 38 kgf
Dimensions: 1500 × 12.7 × 100 (mm)
Quantity: 1 set
Unit: Set
Material:
12.7 mm thick solid phenolic panel
Dimensions: 2800 × 350 × 750 (mm)
Quantity: 2.8 linear meters
Unit: Linear meter
Structure:
Steel frame
Shelves:
8 mm thick high-quality tempered glass
Height adjustable
Supports:
Precision cut, bent, and punched steel
Epoxy powder-coated
Acid corrosion resistance
Outer edge:
Equipped with rotatable protective guards
Configuration: 5 outlets, 10A
Quantity: 3 units
Unit: Unit
Socket face:
5 outlets, rated at 10A
Electrical wiring not included
Type: PP, three-joint
Quantity: 4 sets
Unit: Set
Joints:
High-density PP
360° rotation
Flexible directional adjustment
Easy disassembly
Sealing gaskets:
High-density rubber
PP connecting duct:
High-density PP (HDPP)
Internal shaft:
Stainless steel
Joint connectors:
Aluminum alloy
Airflow control valve:
Manual rotary adjustment
Centralized airflow control
Hood:
High-density PP / PC
Extendable design
Duct diameter:
Φ75 mm
Rotation:
360° rotation
Fixed at center of gravity
Includes:
Complete ventilation system
Dimensions: 1500 × 800 × 2350 (mm)
Quantity: 2 units
Unit: Unit
Structure:
Fully steel construction
Base cabinet:
Galvanized steel
Cabinet body:
Galvanized steel
Surface finish:
Epoxy powder coating
Worktop:
12.7 mm thick solid phenolic panel
Handles:
Aluminum alloy handles
Configuration:
No drawers
Internal liner panels:
Fixed with ABS fasteners
Assembled with stainless steel screws
Easy maintenance and replacement
Rear panel and airflow baffle:
5 mm thick corrosion-resistant panels
Acid-resistant
Organic solvent-resistant
High-temperature resistant
Construction:
Robust and aesthetically clean
No exposed screws
Airflow design:
Independent exhaust system
Adjustable based on:
Different chemical concentrations
Different airflow rates
Ensures safe exhaust of chemical gases

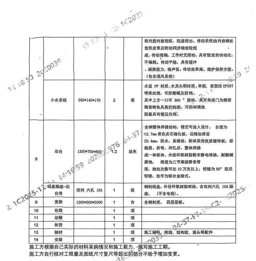
Inside cabinet:
Quick-pull sliding rail system
Drive mechanism:
Internal toothed belt transmission
Combined with coaxial gear-driven assembly
Operating characteristics:
High-precision transmission
No slippage during operation
Fixed transmission ratio
No overload
Stable operation
Integrated damping function
Performance:
Vibration reduction
Low noise
High transmission efficiency
Maintenance:
Easy inspection and servicing
Includes:
Complete ventilation system
Dimensions: 260 × 140 × 170 (mm)
Quantity: 2 sets
Unit: Set
Sink:
PP material
Faucet:
Brass
Single outlet
Surface treatment:
Epoxy coating
Acid- and corrosion-resistant
Upper head:
360° rotation
Valve:
Precision ceramic valve
Corrosion- and wear-resistant
Removable for cleaning
Function:
Pressure-limiting valve for pressure reduction
Dimensions: 1200 × 750 × 800 (mm)
Quantity: 1.2 linear meters
Unit: Linear meter
Structure:
Fully welded steel construction
Seated-operation leg design
Worktop:
12.7 mm thick solid black phenolic panel
Reinforced edge thickness up to 25.4 mm
Water-resistant
Easy to clean
Cabinet body:
High-quality galvanized steel
Precision cut, bent, punched, and welded
External finish:
Epoxy powder coating
Acid corrosion resistance
Drawer slides:
Premium three-stage soft-close slides
≥ 100,000 open/close cycles
Hinges:
Soft-close hinges with 90° opening angle
Handles:
Recessed aluminum alloy handles
Configuration: Two rows, 6 outlets, 10A
Quantity: 1 set
Unit: Set
Steel socket box
Epoxy powder-coated surface
Includes:
Two rows of sockets
6 outlets, rated at 10A
Electrical wiring not included
Dimensions: 1200 × 500 × 2000 (mm)
Quantity: 1 unit
Unit: Unit
Material:
Fully steel construction
Structure:
4 shelf levels
Quantity: 1 item
Unit: Item
Quantity: 1 item
Unit: Item
Quantity: 1 item
Unit: Item
Quantity: 1 item
Unit: Item
Includes:
Installation auxiliary materials
Electrical wiring
Structural adhesives
Connectors and related accessories
Quantity: 1 item
Unit: Item
This inquiry is highly relevant if your company:
Manufactures laboratory furniture, epoxy benches, or steel cabinets
Supplies fume hoods, extraction arms, and laboratory ventilation systems
Is capable of full-scope design, fabrication, and installation
Has experience working with factories, industrial laboratories, or the power and energy sector
This is an opportunity you should consider engaging.
Manufacturing.com.vn aims to serve as:
A place where buyers find the right partners
A platform where suppliers clearly demonstrate real capabilities
A connector between real-world project needs and actual manufacturing capacity
If you are seeking partners for similar technical projects, or want to present your capabilities to the right decision-makers, Manufacturing.com.vn is where the conversation should begin.